Description:
Double row terminal blocks.
Double row terminal blocks.
Ratings:
Volts: 600V
Amps: 75A
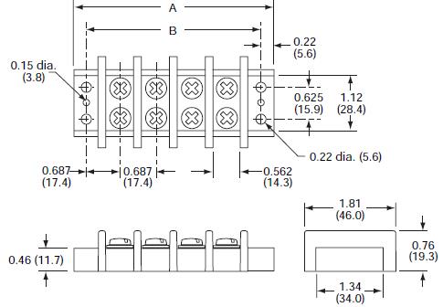
Center Spacing: 0.687” or 11/16” (17.45mm)
Wire Range: #6-14 AWG Cu
Screw Size: #10-32 philslot screws
Torque Rating: 20 lb-in.
Distance Between Barriers: 0.56” (14.3mm)
Mounting: #10 screws
Operating Temperature: 130°C (266°F) max., -40°C (-40°F) min.
Material:
Molded base: Black, UL rated 94V0 thermoplastic
Molded base: Black, UL rated 94V0 thermoplastic
Terminal plating: Tin over brass; Screws: zinc-plated steel
Breakdown Voltage: 7500V
Agency Information: UL File E62622, CSA File 47235; IEC Compliance; CE Certified
Dimensions - in


Screw Options

Hardware Options

Catalog Number Build-A-Code



Screw Options

Hardware Options

Catalog Number Build-A-Code


BQQ41-WH Quick-connect Terminal
PSU1-WH Sectional Terminal Bloc
PLU1-WH Sectional Terminal Bloc
15188 Series Rail Mount Disconn
TS Series Standard Base Termina
Other Rail Mount Terminal Block
NDN Series Rail Mount Terminal
15288 Series Rail Mount Disconn
PLK3-WH Sectional Terminal Bloc
TB200 & TB200HB Series Double R
