Description:
Depluggable rail mount sectional terminal block.
Rating: 45A*, 600V
*45A rating achieved with ring terminal crimped to wire.
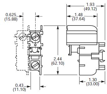
Center Spacing: 0.625" (15.88 mm)
Number of Poles: 1-3
Part Number:
• PSU1 (1-pole)
• PSU11 (2-pole)
• PSU111 (3-pole)
Circuits Per Foot: 19
Wire Range: For use with crimp on connectors only.
Screw Size: #10-32
Mounting Options: C-rail, Stackable
Marking Tape: MT12-1-2
Torque Rating: 24 lb-in
Operating Temperature: 105°C
Agency Information: UL File E62622, CSA File 15364
Catalog Numbers Poles Color
PSU1-WH 1 White
PSU11-WH 2 White
PSU111-WH 3 White
Dimensions - in (mm)

BQQ41-WH Quick-connect Terminal
PLU1-WH Sectional Terminal Bloc
15188 Series Rail Mount Disconn
TS Series Standard Base Termina
Other Rail Mount Terminal Block
NDN Series Rail Mount Terminal
15288 Series Rail Mount Disconn
PLK3-WH Sectional Terminal Bloc
TB200 & TB200HB Series Double R
