Description: Surge protection limiters designed to protect TVSS systems. Apply in conjunction with TVS voltage surge protector to provide complete surge protection. Able to withstand 8x20 μSec surge pulses without opening. Limiters are identified by a surge rating and not continuous current rating. Available with optional printed circuit board tabs.
Construction: Melamine tube with nickel-plated brass end caps.
Ratings*:
Volts: 600Vac
IR: 200kA RMS Sym.
* See Catalog Numbers table for all specifications pertaining to specific ratings.
Agency Information: CE, UL Recognized 600Vac, File E56412. Designed to protect TVSS systems per UL 1449 Second Edition requirements.
Features and Benefits
• Optional tabs for mounting on printed circuit board.
Catalog Numbers
| Catalog Numbers | 8*20μs Surge Rating melting I2t(A2 Sec) | Clearing I2t (A2 Sec) | Ipeak @ 100kA 60Hz (A) | |
| TVSS-5 | 5000A | 559 | 1650 | 4283 |
| TVSS-10 | 10000A | 1788 | 5766 | 6618 |
| TVSS-15 | 15000A | 3760 | 9730 | 7843 |
| TVSS-20 | 20000A | 6020 | 14000 | 8594 |
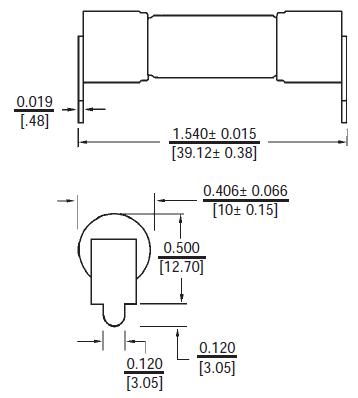
Dimensions
- Ferrule Style

- Optional Printed Circuit Board Tabs

BSPD High Capacity Surge Protec
Data Signal SPD For RJ45 Connec
Surge Protection Made Simple™
Data Signal SPDs For Measuremen
Surge Protection Made Simple™
