Description:
NH fuse bases with thermoplastic bodies. DIN rail and screw mounting (size 4 screw fix). Range of protection accesories for live parts in order to obtain IP20 protection standard.
NH fuse bases with thermoplastic bodies. DIN rail and screw mounting (size 4 screw fix). Range of protection accesories for live parts in order to obtain IP20 protection standard.
Ratings:
• Voltage: up to 690Vac
• Amps: 2 to 1250A
Applications:
Protection of industrial circuits and electrical apparatus
Protection of industrial circuits and electrical apparatus
Standards and Approvals: IEC 60269, DIN 43620
Technical Data
Dimensions (mm)
size 00

size 0, 1, 2, 3

size 4


Technical Data
| Technical Data | SD00-D/ TD00-D | SD0-D/ TD0-D | SD1-D/ TD1-D | SD2-D/ TD2-D | SD3-D/ TD3-D | SD4-S | |
| Body | Polyamide +25%F.V. UL94-V0 | N/A | |||||
| Contacts | Silver plated | ||||||
| Screw, Nuts and Washers | High quality steel | ||||||
|
Derating Temperature Factors |
20oC | 1 | 1 | 1 | 1 | 1 | 1 |
| 30oC | 0.95 | 0.95 | 0.95 | 0.95 | 0.95 | 0.95 | |
| 40oC | 0.9 | 0.9 | 0.9 | 0.9 | 0.9 | 0.9 | |
| 50oC | 0.8 | 0.8 | 0.8 | 0.8 | 0.8 | 0.8 | |
| Maximum Power Dissipation | 12W | 25W | 32W | 45W | 60W | 90W | |
| Degree of Protection | IP00/IP20 | IP00/IP20 | IP00/IP20 | IP00/IP20 | IP00/IP20 | IP00 | |
| Connecting | Screw | M8 | M8 | M10 | M12 | M12 | M16 |
| Clamp | 2xM6 | ||||||
| Maximum Tightening Torque | Screw | 10N•m | 10N•m | 32N•m | 32N•m | 32N•m | 56N•m |
| Clamp | 4N•m | ||||||
| Fixing | Rail Din | • | • | • | • | • | • |
| Screw | • | • | • | • | • | • | |
| With Microswitch 16A/250V | Presence-Fusion | - | • | • | • | • | • |
| Function Temperature | -20 -70oC | -20 -70oC | -20 -70oC | -20 -70oC | -20 -70oC | -20 -70oC | |
| Storage Temperature | -40 -80oC | -40 -80oC | -40 -80oC | -40 -80oC | -40 -80oC | -40 -80oC | |
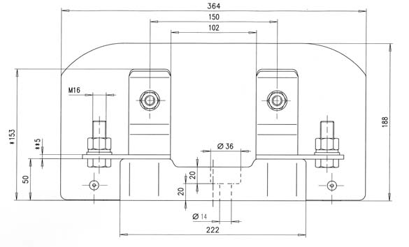
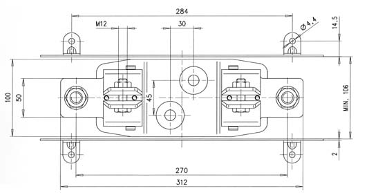
Dimensions (mm)
size 00

size 0, 1, 2, 3

| Size | A | B | C | D | E | F | G | H | I | J | K | L | M | N | O | P | Q |
| NH0 | 170 | 150 | 47 | 24 | 122 | 63 | 29 | 74 | 144 | 48.5 | 91.5 | 185 | M8 | 25 | - | 7.5 | 15 |
| NH1 | 200 | 175 | 60 | 28 | 148 | 77.5 | 35 | 80 | 192 | 66 | 123 | 250 | M10 | 25 | 30 | 10.5 | 20.5 |
| NH2 | 225 | 200 | 60 | 32 | 148 | 88 | 35 | 80 | 192 | 66 | 123 | 250 | M12 | 25 | 30 | 10.5 | 20.5 |
| NH3 | 240 | 210 | 60 | 38 | 148 | 97 | 35 | 80 | 224 | 82 | 143 | 270 | M12 | 25 | 30 | 10.5 | 20.5 |
size 4


Part Numbers
| Size | Poles |
Current (Amps) |
Old Part Numbers | New Part Numbers |
Unit Packing |
Compatible Fuse Link Size |
| DIN Screw | ||||||
| 00 |
1 3 |
160A | SB00-D TB00-D TB00-D-IP20 | SD00-D TD00-D TD00-D-IP20 |
3 1 |
000 & 00 |
| 0 |
1 3 |
160A | SB0-D TB0-D | SD0-D TD0-D |
3 1 |
0 |
| 1 |
1 3 |
250A | SB1-D TB1-D | SD1-D TD1-D |
3 1 |
01 & 1 |
| 2 |
1 3 |
400A | SB2-D TB2-D | SD2-D TD2-D |
3 1 |
02 & 2 |
| 3 |
1 3 |
630A | SB3-D TB3-D | SD3-D TD3-D |
3 1 |
03 & 3 |
| 4 | 1 | 1250A |
SB4-S (Screw Connection only) |
SD4-S (Screw Connection only) |
3 | 4 |
Neutral
| Size | Current (amps) | Part Ref | Unit Packing |
| NH00 | 160 | SL00 | 3 |
| NH0 | 160 | SL0 | |
| NH1 | 250 | SL1 | |
| NH2 | 400 | SL2 | |
| NH3 | 630 | SL3 | |
| NH4 | 1000 | SL4 |
Fuse extraction handle

| Size | Part Ref |
Unit Packing |
| C00-3 | FEH | 1 |
Protection accessories
| Size | Current (amps) |
Separation Partition ④ |
Fuse Casing⑤ | Terminal Cover① | Separator③ | ||||
|
Part Ref |
Unit Packing |
Part Ref |
Unit Packing |
Part Ref |
Unit Packing |
Part Ref |
Unit Packing |
||
| NH00* | 160A | SP00* | 2 | FC00* | 3 | CS00* | 6 | BC00* | 2 |
| NH0 | 160A | SP0 | 2 | FC0 | 3 | CS0 | 6 | BC0 | 2 |
| NH1 | 250A | SP1-2 | 2 | FC1-2 | 3 | CS1 | 6 | BC1-2 | 2 |
| NH2 | 400A | SP1-2 | 2 | FC1-2 | 3 | CS2 | 6 | BC1-2 | 2 |
| NH3 | 630A | SP3 | 2 | FC3 | 3 | CS3 | 6 | BC3 | 2 |

IP Protection Kits
| Part Reference | Description |
| TB00-D-IP20 | Complete triple pole fuse base IP20 rated |
| FPK0-3P | IP20 kit for TB0-D fuse base |
| FPK1-3P | IP20 kit for TB1-D fuse base |
| FPK2-3P | IP20 kit for TB2-D fuse base |
| FPK3-3P | IP20 kit for TB3-D fuse base |
Microswitch

| Part Ref | Unit Packing |
| BVL-50 | 1 |
Microswitch suitable for the following NH Fuse links:
- 400 Volts gG/gL
- 500 Volts gG/gL and aM
- 690 Volts gG/gL and aM

NH_B Dual Indicator 400Vac NH F
NHG_B Dual Indicator 500Vac NH
C08M_ Class aM IEC 60269 Indust
NZ01,NZ02 Type D0 Neozed Low Vo
NHG_B-690 Dual Indicator 690Vac
STD,NITD,AAO,BAO,OSD,CEO,DEO BS
C10M_ Class aM IEC 60269 Indust
