Cooper Bussmann offers a microswitch, complete with adapter for securing the indicator. The microswitch is provided with double pole, single throw contacts, having both a normally open and a normally closed position. A special material has been employed in the construction of the adapter to provide reliable operation in the range of temperatures associated with standard operating conditions and during fuse operation.
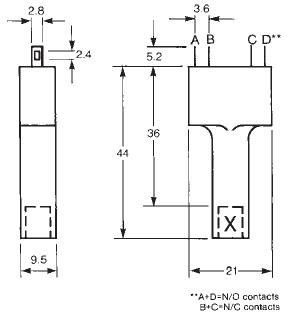
Microswitch and Adapter Type MAI
|
Current Rating: AC 50/60Hz resistive load @ 250V RMS AC 50/60Hz resistive load @ 127V RMS |
4A 6A |
|
DC, resistive load @ 110Vdc DC, resistive load @ 30Vdc |
0.7A DC 2A DC |
|
Maximum Working Voltage: Contact-to-contact (RMS) Contact-to-contact (RMS) |
1000V 1500V |
| Maximum DC Volts: | 110V DC |
Terminal Arrangement

Dimensions in mm


British BS 88 Fuse Accessories
FM-British BS 88 690V 180-350A
LMT-British BS 88 240V 160-450A
LMMT-British BS 88 240V 400-900
MT-British BS 88 690V 160-355A
MMT-British BS 88 690V 180-710A
